径向磁极吸盘
快速、精确的设置,用于研磨和车削工艺
- 厚实的全金属顶板-高精度和长寿命
- 高耐腐蚀性-抗冷却剂的损坏
- 通过钻孔-允许通过冲洗冷却液
- 可旋转,最高转速为3000 rpm
产品概览 - 径向磁极吸盘
快速、精确的设置,用于研磨和车削工艺
径向极适用于广泛的精密研磨和中/重型车削应用,是环形应用的最佳选择,例如检查和精密研磨。
径向磁极是环形工件进行重型车削的最佳选择。
该设计将夹具的全部磁力集中到与工件接触的点上, 确保良好的握持。
此吸盘上的工件不应超过极区面积的50%。
- 简单开-关操作—可拆卸操作手柄
- 可变夹持力——允许在完全夹紧之前调整位置
- 防故障永磁技术
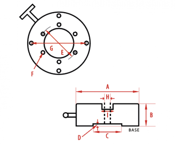
产品型号
| 产品型号 | A (mm) | B (mm) | C (mm) | D (mm) | E (mm) | F (mm) | G (mm) | H (mm) | I (mm) | No. of poles |
|---|---|---|---|---|---|---|---|---|---|---|
| NR100C | 100 | 48 | 51 | 6 | N/A | M6 | 76 | N/A | N/A | 6 |
| NR150C | 150 | 69 | 76 | 4 | N/A | M10 | 102 | 32 | 36 | 10 |
| NR225C | 225 | 71 | 85.8 | 5 | 114.3 | M10 | 190.5 | 50 | 54 | 14 |
| NR300C | 300 | 71 | 152 | 5 | 184 | M12 | 254 | 62 | 66 | 18 |
CN 
